注意:访问本站需要Cookie和JavaScript支持!请设置您的浏览器! 打开购物车 查看留言付款方式联系我们
初中电子 单片机教材一 单片机教材二
搜索上次看见的商品或文章:
商品名、介绍 文章名、内容
首页 电子入门 学单片机 免费资源 下载中心 商品列表 象棋在线 在线绘图 加盟五一 加入收藏 设为首页
本站推荐:
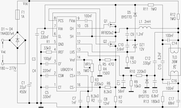
用UBA2014的电子镇流器
文章长度[1360] 加入时间[2006/7/1] 更新时间[2025/12/8 1:04:20] 级别[3] [评论] [收藏]


2003年,第8期,类别:电子产品与器件


    此电子镇流器的AC输入电压允许达277V,适当调节电感元件(L1)的参数,可配接20~60W的荧光灯。UBA2014由飞利浦公司推出。
    如图所示,接通AC电源后,通过电阻R12和R11的电流对UBA2014 VDD脚上的电容C2充电。当C2上的电压升至约13V时,IC内的压控振荡器(VCO)开始振荡,Q1与Q2组成的半桥功率级产生输出。在振荡器启动时的频率fmax=100kHz,尔后迅速降至预热频率fpn。预热时间由R1、C5确定,当R1=33kΩ和C5=330nF时,预热时间tph=1.8秒。一旦预热结束,镇流器输出频率再次降低。在该过程中,输出端L1和C15等组成的LC串联电路发生谐振,在C15两端产生一个高压脉冲,使灯管击穿而点燃,振荡器频率降至fmin=40kHz。点火时间约为预热时间的1/7,即0.26秒。一旦点火失败,将再次进行点火。如果点火成功,由于{1}脚外部电容C5放电至0V,内部定时器和脉冲计数器停止工作。
    半桥开关MOSFET(Q2)源极电阻R7,是半桥电流检测元件。R7上的检测信号经{16}脚输入到内部的平均电流传感器的负输入端,电流传感器正输入端{15}脚连接脚{14}参考电压(2.45V)上的电阻分压器。{13}脚用作检测灯电压。当点火失败、灯失效或灯脱落等异常情况下,灯电压升高,通过C12和R10等元件组成的灯电压检测电路馈送到{13}脚。只要{13}脚上的电压达到1.49V,将迫使IC内部的VCO截止,从而使Q1和Q2均关断。电阻R8用作检测半桥输出特性,确定自适应非交迭时间,并履行电容性模式保护。{8}脚为灯预热电流检测输入。

                                                                  山东  王爱军  姜宇



1、 本站不保证以上观点正确,就算是本站原创作品,本站也不保证内容正确。
2、如果您拥有本文版权,并且不想在本站转载,请书面通知本站立即删除并且向您公开道歉! 以上可能是本站收集或者转载的文章,本站可能没有文章中的元件或产品,如果您需要类似的商品请 点这里查看商品列表!
本站协议 | 版权信息 |  关于我们 |  本站地图 |  营业执照 |  发票说明 |  付款方式 |  联系方式
深圳市宝安区西乡五壹电子商行——粤ICP备16073394号-1;地址:深圳西乡河西四坊183号;邮编:518102
E-mail:51dz$163.com($改为@);Tel:(0755)27947428
工作时间:9:30-12:00和13:30-17:30和18:30-20:30,无人接听时可以再打手机13537585389